大和機械 全自動門型研磨機 小型経済型ロータリーエイト3型 GRGⅢ-1200
- 製品カテゴリ
- 機械
小型経済型ロータリーエイトは、従来より定評のあるGRG(ロータりーエイト)の特長を生かし、機械強度や安全性、操作性などの性能を損なうことなく、機械の廉価格化に成功しました。
高性能でさらにお求めやすくなった本機があらゆる石材の平面研磨に必ず御満足戴けるものと、自信を持ってお奨め致します。
任意形状研磨装置組込可
特殊仕様として乱尺高低自在装置組込可能(寸法の異なる数個の石材を連続研磨する事が出来ます)
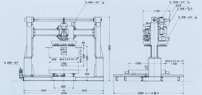
| 型式 | GRGIII-1200(L) |
|---|---|
| 主軸駆動電動機 | 5.5KW-4/8P |
| 主軸左右送りストローク | Max.1,200m/m |
| 主軸上下送りリフト | Max.900m/m |
| 砥石軸頭数 | 8頭(内1頭は固定式) |
| 砥石径 | Max.10インチ |
| 加工研磨面積 | Max.1,200W×1,500Lm/m |
| 台車寸法 | 1,200W×1,500Lm/m |
| 台車前後送りストローク | Max.1,700m/m |
| 台車レール寸法 | 22kg/m L=3.3m |
| 所要電力 | 7.5KW |
| 機械総重量 | 3,800kg |
| 機械据付床面積 | 4,000W×3,500L×2,800Hm/m |
任意形状研磨形状例
一筆書きで書くことが出来る形状をポイントティーチング方式にて変化点を教示することにより、コンピュータが形状認識して、その範囲内を研磨するものです。















